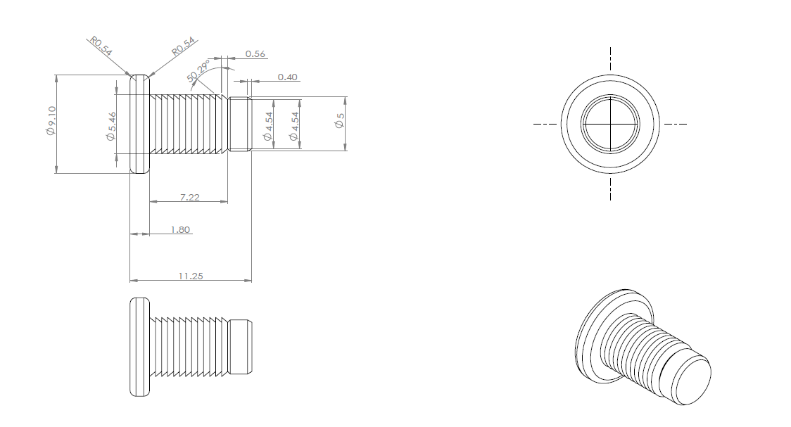
前不久,世世通的客服人員就接到了來自上海sinotech公司工程部顧先生的詢盤——一款倒扣牙螺絲。

上海思諾特工業(yè)技術有限公司是一家集國內貿易、進出口貿易、工業(yè)技術設計及國際設備經銷于一體的綜合性公司,專業(yè)為客戶設計及提供技術性的解決方案。對于這類專業(yè)提供高新技術支持的公司,世世通螺絲廠家也接待過不少。大多數都是需要先試樣生產,品質要求高,精密度,外觀要求苛刻,前期數量卻不多。
顧先生也找了很多螺絲廠家,不是生產不了,就是因數量太少而被拒絕。世世通也深知數量越少,越難做,一款螺絲的生產時間不需要很長,但是師傅在調機,試機,試樣生產的時間卻大大超過了生產時間。但是世世通也相信,萬事開頭難,每一個項目在前期肯定要經歷很長一段時間的磨礪,世世通也堅信每個試樣客戶的項目最終都會成功,量產。
所以即使這款倒扣牙螺絲前期數量只有幾千個,世世通也義無反顧的接了下來。精品打造了這批倒扣牙螺絲。今天,顧先生再來咨詢了量產的價格及交期。相信倒扣牙螺絲離量產也不遠了。
深圳世世通螺絲生產廠家是一家專業(yè)定制生產不銹鋼螺絲,非標螺絲,特殊螺絲,防盜倒扣牙螺絲緊固件的生產廠家,可根據客戶的要求來圖來樣加工定制,如需要定制倒扣牙螺絲,可拔打深圳世世通螺絲定制電話:13662281868或QQ:807621527